Выбор места для установки электрощитка
Самое частое место расположение электрощита - около входной двери. Во-первых, потому что в таком случае не придется далеко тянуть питающий кабель из подъезда, а во-вторых, потому что в прихожей щиток меньше портит интерьер, чем в остальных комнатах. Обычно его располагают на уровне глаз среднестатистического взрослого человека - 160-170 см над полом. Так с счетчиков проще снимать показания и отключать автоматы, когда это необходимо.Есть старое мнение, что щиток нужно устанавливать под самым потолком - для безопасности детей, которые могут в него залезть. Но сейчас такая установка не актуальна - современные щитки надежно закрывают, многие имеют замки с ключом. Так что нет необходимости в таком неудобном расположении - чтобы выключить автоматы или снять показания с счетчиков. Особенно неудобно будет включать автоматы после экстренного выключения - “выбивания пробок”, тогда включать электричество, стоя на лестнице или табуретке придется в темноте.

Виды щитков
Щиток в квартире можно как собрать из купленных по отдельности составляющих, так и купить цельный щиток под определенный вид напряжения. И тот и другой щиток - достаточно безопасны и могут использоваться полноценно в квартире.Щиток в сборе обычно стоит несколько дороже, чем собранный по отдельности, но зато за его подключение мастеру придется заплатить меньше. Обычно мастер сам предпочитает либо сборку, либо установку готового щитка.
Сборка щитка по частям считается старым методом - ее умеют делать все электрики с образованием. А вот готовые укомплектованные щитки появились не так давно, так что перед установкой нужно уточнить у мастера, делал ли он это раньше. Специфика из подключения немного отличается от обычной сборки.
Из чего состоит электрощит
Внутренности электрощита обычно вызывают у непосвященного человека только непонимание - подключенные друг к другу провода и выключатели создают сложную и небезопасную с виду картину. Так и должно быть - самостоятельно лезть в щиток без понимания дела и без специального образования действительно опасно для жизни. Исключением может быть только выключение изолированных автоматов и снятие показаний с счетчиков.Но для того, чтобы иметь хотя бы какой-то контроль над работой электрика, стоит как минимум знать названия составляющих щитка и их функции.
Что внутри электрощита:
- Вводной автомат - устанавливается на пути кабеля в квартиру. С помощью выключения рубильника можно обесточить полностью все электроснабжение, проходящее по квартире, например, во время починки или замены элементов щитка. Вводный автомат подсоединяют через клемы к сечению входящего в квартиру кабеля и выводят на рубильник - выключатель.
- Счетчик электроэнергии - устанавливается сразу после вводного автомата (если он расположен в щитке внутри квартиры). Счетчик отображает потребление электроэнергии в квартире, он должен быть быть произведен сертифицированной компанией по государственному образцу. Иногда счетчики электроэнергии устанавливаются в общем щите в подъезде.
- Устройство защитного отключения или УЗО - нужно для предотвращения пожаров и ударов током в квартире, устанавливается следом за счетчиком. УЗО может быть как одно, так и несколько - в зависимости от уровня напряжения и количества электроприборов в квартире. Если есть электроприборы с большим потреблением тока (например, электроплита, стиральная машина, сплит-система), то их выводят на отдельный УЗО. В больших квартирах с множеством розеток их обычно разделяют на группы (обычно по комнатам) и выводят на несколько УЗО.
- Линейные автоматы - нужны для прерывания потока тока там, где есть риск короткого замыкания. Автоматы автоматы разрывают цепь подключения, если напряжение по линии превышает безопасную норму. Отключение автоматов в народе еще называют выбиванием пробок. Автоматы, так же как и УЗО, обычно устанавливают сразу на несколько линий - отдельный автомат на освещение, по одному на крупные бытовые приборы и группы розеток в разных комнатах. Автоматы предотвращают перегревание проводов из-за перенапряжения, существенно снижают риск возникновения пожаров.
- Дифференцированный автомат или диффавтомат - используется вместо пары УЗО+линейные автоматы. Диффавтоматы работают по тому же принципу, что и линейные автоматы, но вместе с тем выполняют функцию УЗО, так что их можно устанавливать сразу после счетчика.
- DIN-рейка - элемент монтажа электрощита - устанавливается на задней стенке ящика. Количество дин-реек зависит от размера щита и от количества автоматов в нем - чем их больше, тем больше должен быть размер щитка и количестве реек.
- Соединительные шины - используются для подключения друг к другу рабочих нулей и заземления - в щитке есть как заземляющие шины, так и шины-клеммники.
- Распределительные шины - это соединительные элементы, которые соединяют все автоматы, счетчики и УЗО в одну цельную линию. Шины-гребенки или распределительные шины полностью изолированы - они подходят для безопасного соединения как нулевых элементов, так и активных.

Схема электрощитка: зачем она нужна и какой может быть
Схема электропроводки - это схематичное изображение квартиры со всеми электромонтажными элементами: розетками, выключателями, автоматами, проложенными кабелями. Перед любыми электромонтажными работами всегда сначала должна рисоваться схема - она помогает не сделать ошибок, соотнести схему электропроводки с планом будущей квартиры.Некоторые электрики, которые собирают щитки уже не один год, могут делать это без схемы - она уже записана в их голове. Но такой подход может негативно сказаться в будущем - например, когда вам нужно будет сделать отверстие в стене и вы не будете знать, где именно проходит электрокабель.
На схемах указываются также все данные об оборудовании, которое использовано при электромонтаже: сечение кабелей, класс защиты, оболочка кабелей и так далее. Это позволяет владельцам квартиры иметь полную информацию об электропроводке, когда электрик уже ушел, в том числе и через несколько лет.
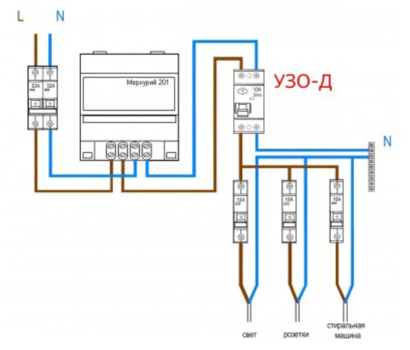
Схема без заземления
В квартирах старого фонда (дореволюционной постройки) или советской застройки в электропроводке нет заземления. Тогда схему нужно строить с учетом этого.Пример схемы для небольшой квартиры:
- Вводной автомат на 32 Ампера,
- Счетчик электроэнергии,
- УЗО с маркировкой на 30 мА,
- 3 автомата на 16 Ампер (чаще всего подключают отдельно на освещение, розетки и стиральную машину),
- Нулевая PEN-шина для отдельного подключения нуля и защиты,
- Короб счетчика с DIN-рейками.
Подобная схема будет выглядеть так:

Важно в схеме без заземления то, что даже в таком случае проводки нуля и защиты разделяют - отсутствие заземляющего контура не мешает этому. Другое подключение проводки может быть небезопасным.
Также в щит нужно добавить реле контроля напряжения - это обезопасит квартиру от скачков напряжения. Оно срабатывает, если изоляция между нулем и защитой повреждается и происходит их соприкосновение.
Схема, приведенная выше подходит для маленькой однушки или студии, но если квартира больше (как и количество электроприборов в ней), то в схеме увеличивается число автоматов и УЗО. Например, на отдельные автоматы выводятся на розетки из разных комнат, а на УЗО с меньшей мощностью ставятся все крупные бытовые приборы: плита, стиральная и посудомоечная машина, кондиционер и так далее
Схема с УЗО заземлением
Квартиры с современной общедомовой проводкой уже имеют электросеть с контуром заземления. В таких квартирах схема будет отличаться. Возьмем как пример, однушку с электрической плитой на кухне:- Двухполюсный вводный автомат на 40 Ампер,
- Счетчик электроэнергии (однофазный),
- УЗО с маркировкой на 30 мА,
- 4 однополюсных автомата (3 на 16А и один на 25А - для плиты),
- Нулевая и заземляющая шины,
- Шина-гребенка или соединительная шина,
- Короб счетчика с двумя рядами DIN-реек.
Подобная схема сложнее и будет выглядеть уже вот так:

Если в квартире больше комнат, то стоит также разделить автоматы на розетки по комнатам и вывести крупные электроприборы на отдельные УЗО с номиналом от 16 до 25 мА - они быстрее отреагируют на утечку тока.
Обе этих схемы рассчитаны на квартиру с питанием в стандартные 220 Вольт, но в некоторые дома электричество заведено с помощью более мощных кабелей на 380 Вт. Тогда схемы у них также будут отличаться.
Схема для трехфазной системы питания
Электропроводка в таких квартирах называется трехфазной - схемы разводки в них сложнее и должны иметь как однофазные, так и трехфазные элементы. Также такое питание может быть в частных домах и таунхаусах, но тогда в них должно устанавливаться отдельное противопожарное УЗО. В квартирах с трехфазной проводкой это не обязательно - оно уже установлено где-то на линии.Схема щитка будет состоять из следующих элементов:
- Трехполюсный вводный автомат на 63 А,
- Электрический счетчик с тремя фазами,
- Двухполюсное УЗО с маркировкой на 30 мА,
- Линейные однополюсные автоматы на каждую бытовую группу (розетки, освещение, приборы с большим потреблением) с напряжением на 16, 25 и 40 Ампер,
- Двухполюснуе диффавтоматы на кухонную технику (посудомоечную машину) и розетки с номиналом 16А/30мА. Если на кухне есть электроплита, то диффавтомат для нее должен быть с номиналом 25А/30мА. Можно поставить вместо них пару автомат+УЗО, так же, как в предыдущих схемах.
- Нулевая и защитная шины,
- Соединительная шина-гребенка,
- Короб счетчика с количеством DIN-реек в зависимости от наполнения.
Схема щитка будет выглядеть так:

В магазине “Прораб” можно купить все необходимые материалы для проводки электричества в квартиру и сборки электрощитка. Вместе с ними можно сразу закупить все, что понадобится для чернового ремонта. Посмотреть товары в магазине и заказать их с доставкой в тот же день можно на сайте.
Автор: Антон Токанин




























































































































































